首页
关于新宇
公司介绍
企业文化
厂房展示
产品展示
圆柱滚子轴承
圆锥滚子轴承
调心滚子轴承
剖分调心滚子轴承
角接触球轴承
推力球轴承
深沟球轴承
特殊轴承
应用领域
生产展示
现货查询
技术&服务
新闻动态
新宇动态
行业新闻
联系我们
首页
>
产品目录
>
角接触轴承
> 单列角接触球轴承
返回
单列角接触球轴承
根据关键词
根据型号
内径:
外径:
宽度:
高级搜索
实物图
二维图
下载PDF
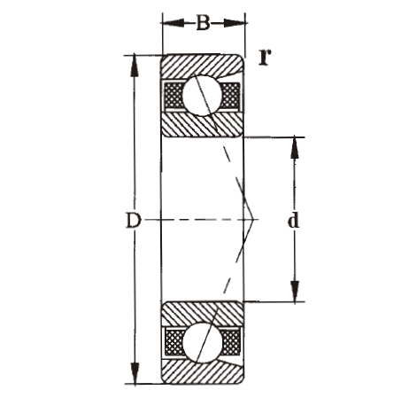
单列角接触球轴承
QDY
单列角接触球轴承
QDY
发送询价
添加到收藏夹
打印页面
高级搜索
系列对比
>>
<<
选择
询价
轴承型号
外形尺寸(mm)
基本载荷(kN)
极限转速(rpm)
作用点
接触面与倒角尺寸(mm)
计算系数
重量(kg)
新型号
旧型号
安装形式
d
D
B
r 1.2min
r 3.4min
动
静
脂润滑
油润滑
a
da min
Da max
ra max
e
x
y
yo
参考
7220CM
36220
DT/DB/DF
100
180
34
2.1
1.1
120
136
3000
4000
35.8
112
168
2
*
3.71
7220ACM
46220
DT/DB/DF
100
180
34
2.1
1.1
114
130
3000
4000
49.6
112
168
2
0.68
0.42
0.87
0.38
3.74
7220BM
66220
DT/DB/DF
100
180
34
2.1
1.1
100
114
3000
4000
75.7
112
168
2
1.14
0.35
0.57
0.26
4
7320ACM
46320
DT/DB/DF
100
215
47
3
1.1
164
199
2600
3600
49.6
114
201
2.5
0.68
0.42
0.87
0.38
9.61
7320BM
66320
DT/DB/DF
100
215
47
3
1.1
146
178
2600
3600
89.6
114
201
2.5
1.14
0.35
0.57
0.26
8.41
7022ACM
46122
DT/DB/DF
110
170
28
2
1
100
101
3000
4000
46.7
120
160
2
0.68
0.42
0.87
0.38
2.41
7222CM
36222
DT/DB/DF
110
200
38
2.1
1.1
142
171
2600
3600
39.8
122
188
2
*
5.03
7222ACM
46222
DT/DB/DF
110
200
38
2.1
1.1
135
164
2600
3600
55.1
122
188
2
0.68
0.42
0.87
0.38
4.89
7222BM
66222
DT/DB/DF
110
200
38
2.1
1.1
147
135
2600
3600
84
122
188
2
1.14
0.35
0.57
0.26
5.18
7322ACM
46322
DT/DB/DF
110
240
50
3
1.1
184
231
2200
3200
65.8
124
226
2.5
0.68
0.42
0.87
0.38
9.97
7322BM
66322
DT/DB/DF
110
240
50
3
1.1
164
212
2200
3200
98.4
124
226
2.5
1.14
0.35
0.57
0.26
11.5
7024ACM
46124
DT/DB/DF
120
180
28
2
1
77
107
2600
3600
49
130
170
2
0.68
0.42
0.87
0.38
2.62
7224ACM
46224
DT/DB/DF
120
215
40
2.1
1.1
146
184
2200
3200
59.1
132
203
2
0.68
0.42
0.87
0.38
6.04
7324BM
66324
DT/DB/DF
120
260
55
3
1.1
193
262
1900
2800
107.2
134
246
2.5
1.14
0.35
0.57
0.26
14.6
7324ACM
46324
DT/DB/DF
120
260
55
3
1.1
204
269
1900
2800
71.8
134
246
2.5
0.68
0.42
0.87
0.38
14.1
7226CM
36226
DT/DB/DF
130
230
40
3
1.1
165
210
1900
2800
44.1
144
216
2.5
*
7.28
7226ACM
46226
DT/DB/DF
130
230
40
3
1.1
155
200
1900
2800
62
144
216
2.5
0.68
0.42
0.87
0.38
7.26
7226BM
66226
DT/DB/DF
130
230
40
3
1.1
135
175
1900
2800
95.5
144
216
2.5
1.14
0.35
0.57
0.26
7.56
7326BM
66326
DT/DB/DF
130
280
58
4
1.5
251
270
1800
2600
115
148
262
3
1.14
0.35
0.57
0.26
17.5
7028ACM
46128
DT/DB/DF
140
210
33
2
1
98
137
2000
3000
57.3
150
200
2
0.68
0.42
0.87
0.38
4.14
上一页
1
2
3
4
5
下一页
>>
<<
产品目录
圆柱滚子轴承
单列圆柱滚子轴承
双列圆柱滚子轴承
四列圆柱滚子轴承
单列满装圆柱滚子轴承
双列满装圆柱滚子轴承
圆锥滚子轴承
单列圆锥滚子轴承(英制
双列圆锥滚子轴承(英制
双列圆锥滚子轴承,双外
深沟球轴承
调心滚子轴承
剖分调心滚子轴承
角接触轴承
单列角接触球轴承
双列角接触球轴承
四点角接触球轴承
推力滚子轴承
推力调心滚子轴承
推力圆柱滚子轴承
特殊轴承
瓦房店新宇轴承制造有限公司
:86 0411 85695677
:0086-551-63660196
公司信息
关于新宇
资讯报道
质量控制
工厂展示
主打产品
深沟球轴承
圆柱滚子轴承
调心滚子轴承
圆锥滚子轴承
角接触球轴承
最新信息
目录下载
特价信息
应用领域
石油机械
冶金机械
水泥机械
工程机械
联系我们
电话:86 0411 39110330
传真:86 0411 39110330
邮箱:xinyuzhoucheng@163.com
网址:www.xyzc-bearing.com
电话 : 86 0411 39110330
联系我们 :
在线订阅
© 2017 瓦房店新宇轴承制造有限公司 版权所有
辽ICP备17011448号
询价
产品目录:
联系人 :
国家 :
电话 :
公司名称 :
电子邮件 :
内容 :
验证码: