首页
关于新宇
公司介绍
企业文化
厂房展示
产品展示
圆柱滚子轴承
圆锥滚子轴承
调心滚子轴承
剖分调心滚子轴承
角接触球轴承
推力球轴承
深沟球轴承
特殊轴承
应用领域
生产展示
现货查询
技术&服务
新闻动态
新宇动态
行业新闻
联系我们
首页
>
产品目录
>
圆锥滚子轴承
> 双列圆锥滚子轴承,双外圈(英制系列)
返回
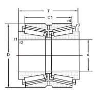
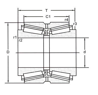
双列圆锥滚子轴承,双外圈(英制系列)
根据关键词
根据型号
内径:
外径:
宽度:
高级搜索
实物图
二维图
下载PDF
双列圆锥滚子轴承,双外圈(英制系列)
QDY
双列圆锥滚子轴承,双外圈(英制系列)
QDY
发送询价
添加到收藏夹
打印页面
高级搜索
系列对比
>>
<<
选择
询价
轴承型号
外形尺寸(mm)
设计
接触面与倒角尺寸(mm)
计算系数
重量(kg)
d
D
T
C
da min
Da max
rb max
ra max
e
Y1
Y2
Y0
参考
868D/854
101.6
190.5
127
117.475
1
113
168
1.6
3.2
0.33
2
3
2
14.5
868D/854X
101.6
200.025
127
127
1
113
172
1.6
3.2
0.33
2
3
2
18.2
71426D/71750
107.95
190.5
101.6
98.425
1
121
171
1.6
3.2
0.42
1.6
2.4
1.6
11.8
946D/932
107.95
212.725
152.4
142.885
1
123
187
3.2
3.2
0.33
2.1
3.1
2
23.9
71450D/71750
114.3
190.5
101.6
98.425
1
125
171
1.6
3.2
0.42
1.6
2.4
1.6
11
HH224346D/HH224310
114.3
212.725
152.4
142.885
1
127
191
3.2
3.2
0.33
2.1
3.1
2
21.9
95474D/95925
120.65
234.95
152.4
139.7
1
146
212
6.4
3.2
0.37
1.8
2.7
1.8
28.1
48290D/48220
127
182.562
76.2
76.2
1
136
167
3.2
1.6
0.31
2.2
3.3
2.2
6.7
48290TD/48220
127
182.562
76.2
76.2
2
136
167
1.6
1.6
0.31
2.2
3.3
2.2
6.7
67388D/67322
127
196.85
92.075
92.075
1
145.8
180.1
3.2
1.6
0.34
1.96
2.92
1.92
10.4
67388D/67320
127
203.2
92.075
92.075
1
145.8
180.1
3.2
1.6
0.34
1.96
2.92
1.92
11.8
95499D/95925
127
234.95
152.4
139.7
1
147
212
5
3.3
0.37
1.8
2.7
1.8
26.7
EE153053D/153097
127
247
171.45
161.925
1
153.2
217.4
3.2
3.2
0.32
2.1
3.13
2.05
35.9
95499D/95975
127
247.65
152.4
139.7
1
150.6
204.3
3.2
5.2
0.37
1.83
2.72
1.79
32.4
EE153053D/153100
127
254
171.45
161.925
1
146
223
3.2
6.4
0.32
2.1
3.1
2.1
36.5
EE153053D/153101
127
258.763
171.45
161.925
1
153.2
217.4
6.4
3.2
0.32
2.1
3.13
2.05
41.6
EE153053D/153102
127
260.35
171.45
161.925
1
153.2
217.4
6.4
3.2
0.32
2.1
3.13
2.05
42.5
HH231637D/HH231610
127
288.925
158.75
149.225
1
172.1
252.1
6.4
13.2
0.32
2.12
3.15
2.07
50.9
HH231637D/HH231615
127
295.275
158.75
149.225
1
172.1
252.1
6.4
13.2
0.32
2.12
3.15
2.07
54.3
74510D/74850
130.005
215.9
123.825
123.825
1
145
195
3.2
1.6
0.49
1.4
2.1
1.4
17.2
上一页
1
2
3
4
5
6
7
...
18
19
下一页
>>
<<
产品目录
圆柱滚子轴承
单列圆柱滚子轴承
双列圆柱滚子轴承
四列圆柱滚子轴承
单列满装圆柱滚子轴承
双列满装圆柱滚子轴承
圆锥滚子轴承
单列圆锥滚子轴承(英制
双列圆锥滚子轴承(英制
双列圆锥滚子轴承,双外
深沟球轴承
调心滚子轴承
剖分调心滚子轴承
角接触轴承
单列角接触球轴承
双列角接触球轴承
四点角接触球轴承
推力滚子轴承
推力调心滚子轴承
推力圆柱滚子轴承
特殊轴承
瓦房店新宇轴承制造有限公司
:86 0411 85695677
:0086-551-63660196
公司信息
关于新宇
资讯报道
质量控制
工厂展示
主打产品
深沟球轴承
圆柱滚子轴承
调心滚子轴承
圆锥滚子轴承
角接触球轴承
最新信息
目录下载
特价信息
应用领域
石油机械
冶金机械
水泥机械
工程机械
联系我们
电话:86 0411 39110330
传真:86 0411 39110330
邮箱:xinyuzhoucheng@163.com
网址:www.xyzc-bearing.com
电话 : 86 0411 39110330
联系我们 :
在线订阅
© 2017 瓦房店新宇轴承制造有限公司 版权所有
辽ICP备17011448号
询价
产品目录:
联系人 :
国家 :
电话 :
公司名称 :
电子邮件 :
内容 :
验证码: